欢迎来到江苏安科瑞电器制造有限公司网站!
产品详情
首页 > 产品中心 > 电能质量治理 > ANAPF有源电力滤波器 > ANAPF电网谐波超标如何治理?

电网谐波超标如何治理?

描述:电网谐波超标如何治理?
安科瑞壁挂式有源电力滤波器直流过压保护并联在含谐波负载的低压配电系统中,能够对动态变化的谐波电流进行快速实时的跟踪和补偿。其原理为:ANAPF 系列有源电力滤波器通过CT 采集系统谐波电流,经控制器快速计算并提取各次谐波电流的含量,产生谐波电流指令,通过功率执行器件产生与谐波电流幅值相等方向相反的补偿电流

更新时间:2025-12-05
产品型号:ANAPF
厂商性质:生产厂家
详情介绍
品牌Acrel/安科瑞应用范围变电站自动化
产地国产加工定制
安装方式抽屉式

电网谐波超标如何治理?

安科瑞 刘秋霞

产品简介:

功能:
电网谐波超标如何治理?ANAPF系列安科瑞有源电力滤波器通过电流互感器采集系统谐波电流,经控制器快速计算并提取各次谐波电流的含量,产生谐波电流指令,通过功率执行器件产生与谐波电流幅值相等方向相反的补偿电流,并注入电力系统中,从而抵消非线性负载所产生的谐波电流。


应用范围:
适用于并联在含谐波负载的低压配电系统中,能够对动态变化的谐波电流进行快速实时的跟踪和补偿。


订货范例:
具体型号:ANAPF150-380/BGL
技术要求:谐波补偿电流150A,线电压等级380V 。
接线方式:三相四线
安装方式:立柜式
互感器接线方式:负载侧

技术参数:


应用组网图:

电网谐波超标如何治理?

外形安装:

外形尺寸

电网谐波超标如何治理?

抽屉式模块示意图


电网谐波超标如何治理?

壁挂式模块示意图


电网谐波超标如何治理?

整柜示意图


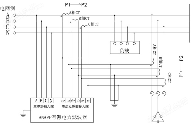
接线方式

电网谐波超标如何治理?

电容柜在进线侧主电路接线


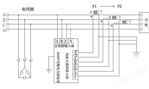
电网谐波超标如何治理?

电容柜在末端主电路接线


安装示意

电网谐波超标如何治理?

1. A、B、C、N主线,连接至接线端子(主线路输入端)

2. PE接地线,连接至接线端子或接地铜排

3. CT接线端子,连接至电流信号端子(电流互感器输入端)


现场安装图

案例一 ANAPF在数据机房的应用

电网谐波超标如何治理?

治理前

电网谐波超标如何治理?

治理后


案例二 ANAPF在商业中心的应用

电网谐波超标如何治理?

治理前

电网谐波超标如何治理?

治理后

产品报价:

立柜式ANAPF安科瑞有源电力滤波器

电网谐波超标如何治理?

壁挂式(抽屉式)ANAPF有源电力滤波器

电网谐波超标如何治理?



留言框

  • 产品:

  • 您的单位:

  • 您的姓名:

  • 联系电话:

  • 常用邮箱:

  • 省份:

  • 详细地址:

  • 补充说明:

  • 验证码:

    请输入计算结果(填写阿拉伯数字),如:三加四=7
Copyright © 2026 江苏安科瑞电器制造有限公司(www.acrel-lighting.com) 版权所有
电瓶车充电桩、电动汽车充电桩禁止非法改装!

苏公网安备 32028102001255号